Пневмоподушка (сильфон двойной закрытый) 160D2
- Расшифровка каталожного номера
В каталогах автозавода УАЗ нумерация обозначений, характерных всем сборочным единицам и деталям, осуществляется в соответствии с единой семизначной системой. Например, обозначение вала вторичного в сборе коробки передач: 452-1701106-Б, где:
452 – 1-ые цифры до тире являются обозначением модели автомобиля или деталей, соответствующих двигателю, шасси, кузову, соответственно, моделям двигателя, шасси или кузова (кабины) автомобиля.
17 – 1-ые две цифры, входящий в 7-мизначный номер, являются обозначением номера группы, в данном случае “Коробки передач”
01 – 2-рые две цифры, входящие в 7-мизначный номер, являются обозначением номера подгруппы, в данном случае “Коробки передач”
105 – последние три цифры, входящие в 7-мизначный номер, являются обозначением порядкового номера детали, в данном случае “Вала вторичного”.
Буквенные обозначения А, Б, В и т.д. после обозначения деталей или сборочных единиц указывают о внесении изменений в конструкцию детали или сборочной единицы. Обозначения А, А1, А2 и т.д. являются указанием сохранения изменений детали взаимозаменяемости с основной деталью, не обозначенной буквой, и между собой. Детали, обладающие обозначениями Б, Б1, Б2 и т.д. не взаимозаменяемы с деталями, обладающими обозначениями А, А1, А2 и т.д. или с ранее выпущенными деталями (не обладающими буквами), но взаимозаменяемы между собой.
Параллельно для буквенных обозначений в соответствии со всеми последующими изменениями для указаний, связанных со взаимозаменяемостью или не взаимозаменяемостью деталей или сборочных единиц, осуществляется введение цифровых индексов:
01 – 1-ый взаимозаменяемый вариант
02 – 2-рой взаимозаменяемый вариант
09 – 9-тый взаимозаменяемый вариант
10 – 1-ый невзаимозаменяемый вариант
11 – 1-ый взаимозаменяемый вариант, соответствующий невзаимозаменяемому варианту 10
12 – 19 – линейка последующих взаимозаменяемых вариантов невзаимозаменяемого варианта 10
20 – 2-рой невзаимозаменяемый вариант
21 – 29 – линейка взаимозаменяемых вариантов, относящихся ко 2-рому невзаимозаменяемому варианту 20
и т.д.
Весь ассортимент деталей и сборочных единиц, заимствованных от автомобилей старых моделей, осуществляет сохранение своих прежних обозначений.
Ассортимент деталей или сборочных единиц, используемых исключительно для ремонта, обладает буквенными приставками Р, Р1, Р2 или АР, АР1, и т.д. Например, ВК-24-1000100-АР – комплект поршневых колец, обладающих увеличенным размером на 0,50мм.
Характеристики
Описание
На этой странице можно купить Пневмоподушка (сильфон двойной закрытый) 160D2. На нашем сайте вы можете приобрести всё для вашего внедорожника, начиная с обычных кронштейнов и прокладок, заканчивая дефицитными запчастями.Покупайте только лучшие запчасти у нас, вы действительно покупаете лучшее!
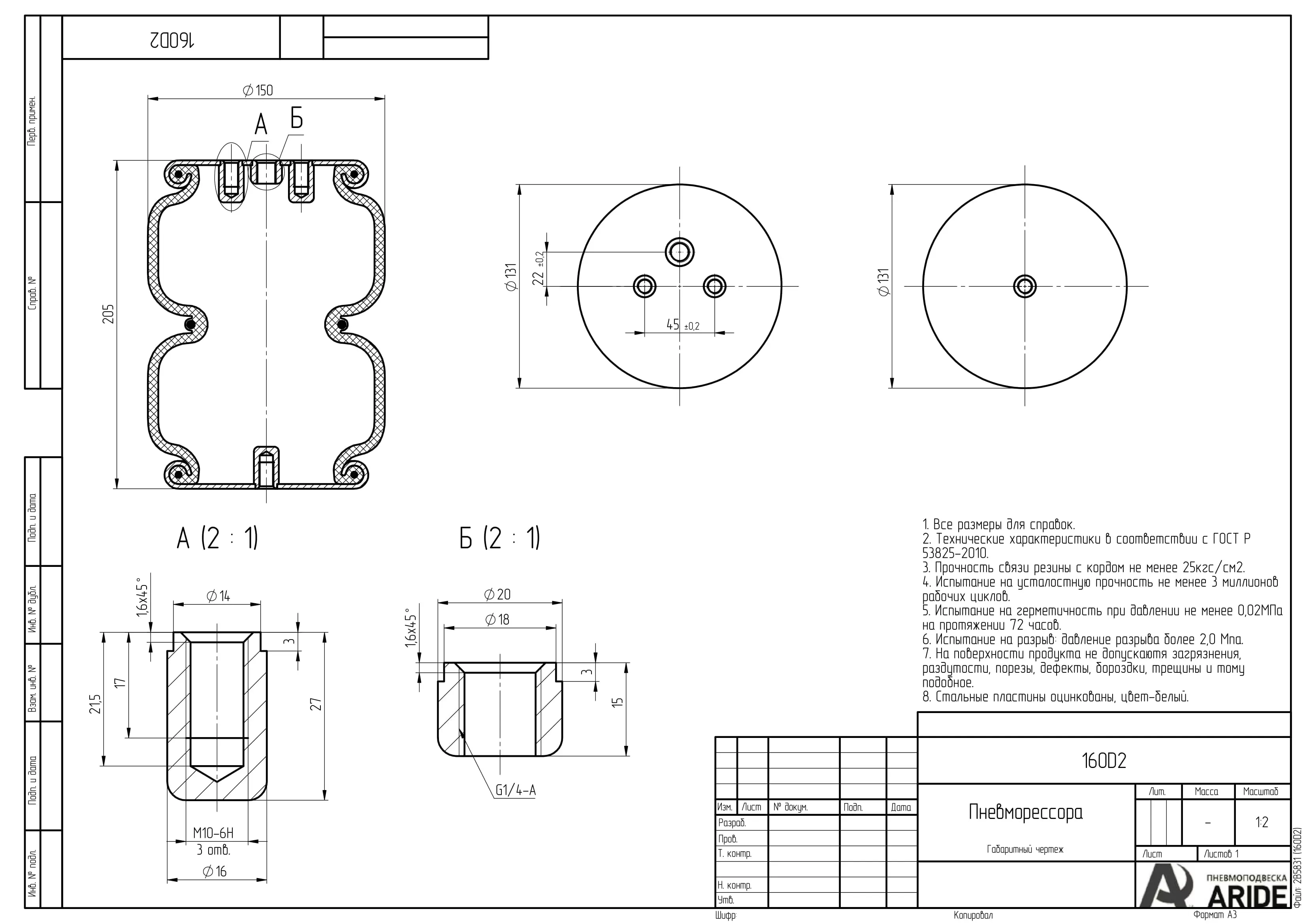
Пневмоподушка (пневмоэлемент, пневмобаллон) 160D2 имеет резино-кордную конструкцию типа двойной сильфон с металлическим межсекционным кольцом. Резиновая оболочка подушки выполнена из качественной прочной резины, корд выполнен из трех слоев нейлона с высокой плотностью плетения. Верхняя и нижняя крышки выполнены из металла. Крышки завальцованы на оболочке, что дает высокую степень герметичности и исключает утечку воздуха.
Пневмоподушка 160D2 (сильфон двойной закрытый) купить в Москве и Санкт-Петербурге в интернет-магазине «Aride»: ✓комплектующие от мировых производителей ✓гарантия лучшей цены ✓доставка по РФ ✓собственное производство
Подушки используются как упругий элемент при изготовлении систем пневматических подвесок автомобилей (вместо пружин, рессор или в дополнении к ним), в качестве виброопоры для оборудования или в других областях в качестве силового элемента с приводом от сжатого воздуха.
По сравнению с баллонами рукавного типа такие пневмобаллоны имеют более жесткую характеристику, большую подъемную силу и менее чувствительны к использованию в условиях высокой загрязненности. Такие подушки подойдут для изготовления пневмоподвески с заменой пружин или в дополнении к рессорам с целью поднять автомобиль или увеличить его грузоподъемность.
Пневмоподушки рассчитаны на зимнюю эксплуатацию и при правильном монтаже и эксплуатации срок службы их составит около 5 лет.
Характеристики - Пневмоподушка 160D2 (сильфон двойной закрытый)
Тип пневмоэлемента- двойной сильфон
Диаметр свободного пространства, необходимого для установки, 160мм
Резьба отверстия для крепления М10
Диаметр без давления, 150мм
Высота без давления, 205мм
Диаметр при давлении 8 бар, 150мм
Высота при давлении 8 бар, 280мм
Диаметр в полностью сжатом состоянии, 150мм
Высота в полностью сжатом состоянии, 115мм
Минимальное рабочее давление, бар 1
Максимальное рабочее давление, бар 15
Давление разрушения, бар 25
Подъёмная сила (сопротивление сжатию) при давлении 10 бар, кгс 1000
Допустимый угол изгиба под нагрузкой, град 10
Аналоги пневморессора 163мм, подушка пневматическая 170 сильфон 2 секции
ВНИМАНИЕ!
Производитель оставляет за собой право вносить изменения в конструкцию изделий и деталей, не ухудшающих качество изделия, без предварительного уведомления.
Наши Преимущества:
- Продукция идёт напрямую от производителей, поэтому цена всегда ниже чем у остальных.
- Все комплектующие всегда в наличии на складе, поэтому отправка заказа происходит в кратчайшие сроки.
- Отправку и доставку заказов осуществляем по всей России и СНГ. 4.
- Вся продукция идёт от проверенных производителей, что гарантирует отличное качество и надежность.
- Вам остаётся только сделать выбор и заказать. У нас существуют удобные способы оплаты, как наличный расчёт, так и безналичный. Так же мы всегда можем помочь в подборе запчастей для вашего автомобиля.
Просто добавьте товар в корзину, заполните анкету и наши Менеджеры свяжутся с Вами!
Отзывы
Отзывы не найдены
